 |
515 |
703587 |
WASHER, Internal Tooth Lock, 5/16”
Используется в агрегатах
|
|
|
762 i |
|
 |
520 |
1756613YP |
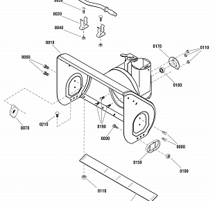
LIGHT ASSEMBLY, LED (Incl. Ref. No. 0520-10, 0520-20, 0520-30, 0520-40 & 0520-
Используется в агрегатах
|
|
|
13559 i |
|
 |
0520-10 |
1754421YP |
LENS, Light, P19 (Included with Ref. No. 0520)
Используется в агрегатах
|
|
|
Недоступен к заказу |
|
 |
0520-20 |
1754420YP |
LIGHT, Bezel, P19 (Included with Ref. No. 0520)
Используется в агрегатах
|
|
|
Недоступен к заказу |
|
 |
0520-30 |
----- |
* BULB, Light, 12VAC, LED (Included with Ref. No. 0520)
Используется в агрегатах
|
|
|
Недоступен к заказу |
|
 |
0520-40 |
1736180YP |
SOCKET & GASKET ASSEMBLY, Headlight (Included with Ref. No. 0520)
Используется в агрегатах
|
|
|
1358 i |
|
 |
0520-50 |
1736179YP |
GASKET, Single, Twin Light (Included with Ref. No. 0520)
Используется в агрегатах
|
|
|
Недоступен к заказу |
|
 |
530 |
1737687YP |
BOLT, Carriage, 5/16-18 x 3/4
Используется в агрегатах
|
|
|
745 i |
|
 |
535 |
703222 |
NUT, Hex, KEPS, 5/16-18
Используется в агрегатах
|
|
|
857 i |
|
 |
560 |
1737511YP |
CABLE, Traction Drive
Используется в агрегатах
|
|
|
1548 i |
|
 |
590 |
1733505BMYP |
BRKT, Pivot, Free Hand
Используется в агрегатах
|
|
|
1262 i |
|
 |
600 |
703124 |
SPACER, Powdered Metal
Используется в агрегатах
|
|
|
818 i |
|
 |
610 |
1736363YP |
ROD & SPRING ASSEMBLY
Используется в агрегатах
|
|
|
4489 i |
|
 |
630 |
2108360SM |
SPRING, Compression
Используется в агрегатах
|
|
|
1048 i |
|
 |
640 |
703229 |
WASHER, 0.261ID x 0.84OD x 0.12
Используется в агрегатах
|
|
|
398 i |
|
 |
650 |
1736360YP |
ROD, Hold Down, 5-1/2"
Используется в агрегатах
|
|
|
860 i |
|
 |
670 |
703586 |
TIE, Self Locking
Используется в агрегатах
|
|
|
838 i |
|
 |
680 |
1733192SM |
KNOB, Slot Speed
Используется в агрегатах
|
|
|
918 i |
|
 |
700 |
703332 |
WASHER, 1/4
Используется в агрегатах
|
|
|
762 i |
|
 |
740 |
703944 |
SCREW, Hex Washer Head, #10-16 x 0.375
Используется в агрегатах
|
|
|
818 i |
|
 |
750 |
1960589SM |
SCREW, Round Head Phillips, #10-24 x 3/4
Используется в агрегатах
|
|
|
818 i |
|
 |
760 |
703412 |
NUT, Nylock, 10 x 24
Используется в агрегатах
|
|
|
762 i |
|
 |
780 |
703466 |
SCREW, Hex Washer Head, Taptite, 1/4-20 x 3/4
Используется в агрегатах
|
|
|
818 i |
|
 |
790 |
703059 |
BOLT, Conical, 5/16-18 x 2
Используется в агрегатах
|
|
|
838 i |
|
 |
880 |
7091081SM |
SCREW, Hex Washer, Self Tap, 1/4-15 x 3/4
Используется в агрегатах
|
|
|
933 i |
|
 |
930 |
703101 |
BOLT, Carriage, 1/4-20 x 3/4
Используется в агрегатах
|
|
|
762 i |
|
 |
980 |
1739861BZYP |
BRACKET, Switch
Используется в агрегатах
|
|
|
1205 i |
|
 |
990 |
1960556SM |
SCREW, Pan Head, Torx, 1/4-20 x 3/4, Taptite
Используется в агрегатах
|
|
|
933 i |
|
 |
1010 |
1739483AYP |
POD, Chute Rotation, RH
Используется в агрегатах
|
|
|
1548 i |
|
 |
1020 |
1753218YP |
SCREW, Torx, 8/18 x 1/2
Используется в агрегатах
|
|
|
799 i |
|
 |
1030 |
1723965SM |
HAND GRIP, Heated 1" Dia. x 5-1/4 Lg
Используется в агрегатах
|
|
|
10312 i |
|