Назад
123

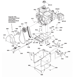
ST1074BS снегоуборщик | Поставка запчастей по России | Магазин-Сервис Champion в СПБ |