 |
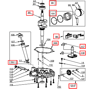
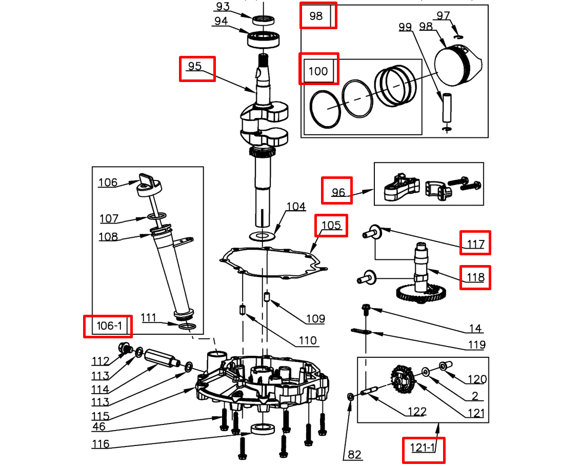
14 |
B1058W06012 |
Болт М6х12
Используется в агрегатах
|
|
|
Недоступен к заказу |
|
 |
21 |
B1063W06022 |
Болт М6х22
Используется в агрегатах
|
|
|
Недоступен к заказу |
|
 |
67 |
Y28H0000000 |
Пробка топливного бака
Используется в агрегатах
|
|
|
223 i |
|
 |
67-1 |
Y28HZC00000 |
Пробка топливного бака в сборе
Используется в агрегатах
|
|
|
238 i |
|
 |
68 |
Y28F0000000 |
Уплотнительное кольцо
Используется в агрегатах
|
|
|
Недоступен к заказу |
|
 |
69 |
Y28T0000000 |
Трос соединительный
Используется в агрегатах
|
|
|
Недоступен к заказу |
|
 |
70 |
Y28S0000000 |
Прокладка
Используется в агрегатах
|
|
|
Недоступен к заказу |
|
 |
71 |
Y28D0000000 |
Бак топливный
Используется в агрегатах
|
|
|
969 i |
|
 |
72 |
Y38N0000000 |
Опора бака топливного, правая
Используется в агрегатах
|
|
|
181 i |
|
 |
73 |
B2008W00000 |
Гайка М6
Используется в агрегатах
|
|
|
Недоступен к заказу |
|
 |
74 |
Y38M0000000 |
Опора бака топливного, левая
Используется в агрегатах
|
|
|
215 i |
|
 |
75 |
Y28E0000000 |
Фильтр топливный
Используется в агрегатах
|
|
|
Недоступен к заказу |
|
 |
76 |
Y28K0000000 |
Хомут шланга
Используется в агрегатах
|
|
|
Недоступен к заказу |
|
 |
77 |
029019900100 |
Шланг топливный
Используется в агрегатах
|
|
|
289 i |
|
 |
78 |
Y28U0000000 |
Фиксатор шланга
Используется в агрегатах
|
|
|
Недоступен к заказу |
|
 |
79 |
Y28L0000000 |
Хомут шланга
Используется в агрегатах
|
|
|
Недоступен к заказу |
|