 |
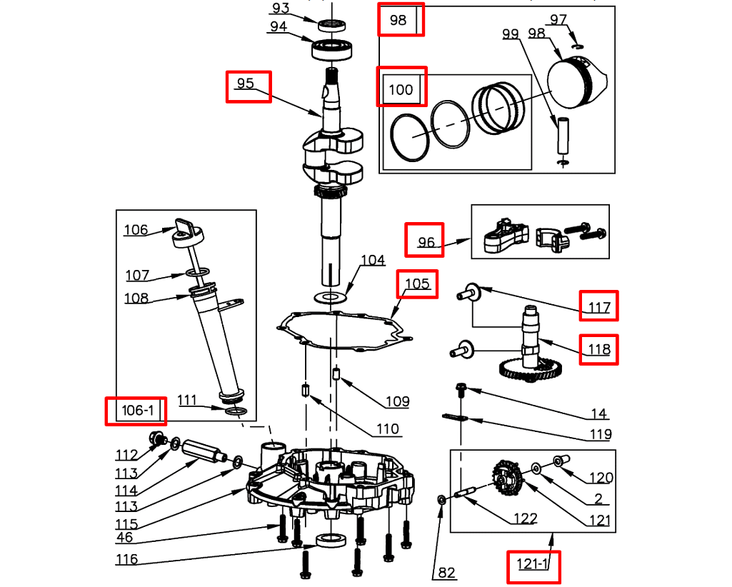
2 |
B5027B00000 |
Кольцо 6,5x15x0,5
Используется в агрегатах
|
|
|
Недоступен к заказу |
|
 |
14 |
B1058W06012 |
Болт М6х12
Используется в агрегатах
|
|
|
Недоступен к заказу |
|
 |
46 |
B1080W08050 |
Болт М8х50
Используется в агрегатах
|
|
|
Недоступен к заказу |
|
 |
82 |
B5026W00000 |
Шайба 6,5x12x1
Используется в агрегатах
|
|
|
Недоступен к заказу |
|
 |
93 |
380650335-0001 |
Сальник 25х38х7
Используется в агрегатах
|
|
|
158 i |
|
 |
94 |
27606205 |
Подшипник 6205
Используется в агрегатах
|
|
|
343 i |
|
 |
95 |
Y3410000000 |
Коленвал
Используется в агрегатах
|
|
|
4372 i |
|
 |
96 |
DQK002 |
Шатун
Используется в агрегатах
|
|
|
599 i |
|
 |
97 |
Y5490000000 |
Кольцо стопорное
Используется в агрегатах
|
|
|
Недоступен к заказу |
|
 |
98 |
Y5420000000 |
Поршень 70х43
Используется в агрегатах
|
|
|
Недоступен к заказу |
|
 |
98 |
G1310E0301000 |
Поршень, комплект
Используется в агрегатах
|
|
|
1383 i |
|
 |
99 |
Y5480000000 |
Палец поршня
Используется в агрегатах
|
|
|
Недоступен к заказу |
|
 |
100 |
G1320E0102000 |
Кольца, комплект 1,0х1,0х2,5
Используется в агрегатах
|
|
|
564 i |
|
 |
105 |
DQB005 |
Прокладка крышки картера
Используется в агрегатах
|
|
|
260 i |
|
 |
102 |
Y5440000000 |
Кольцо компрессионное нижнее
Используется в агрегатах
|
|
|
Недоступен к заказу |
|
 |
103 |
Y5430000000 |
Кольцо компрессионное верхнее
Используется в агрегатах
|
|
|
Недоступен к заказу |
|
 |
104 |
Y34A0000000 |
Шайба коленвала 25,5х36х1
Используется в агрегатах
|
|
|
Недоступен к заказу |
|
 |
105 |
Y3350000000 |
Прокладка крышки картера
Используется в агрегатах
|
|
|
Недоступен к заказу |
|
 |
106 |
Y3331200000 |
Щуп уровня масла
Используется в агрегатах
|
|
|
Недоступен к заказу |
|
 |
106-1 |
JYTXD0001 |
Горловина со щупом
Используется в агрегатах
|
|
|
697 i |
|
 |
107 |
BD006B00000 |
Кольцо уплотнительное
Используется в агрегатах
|
|
|
Недоступен к заказу |
|
 |
108 |
Y3320000000 |
Горловина маслозаливная
Используется в агрегатах
|
|
|
Недоступен к заказу |
|
 |
109 |
Y2360000000 |
Штифт 8х14
Используется в агрегатах
|
|
|
Недоступен к заказу |
|
 |
110 |
Y3360000000 |
Штифт 9х14
Используется в агрегатах
|
|
|
Недоступен к заказу |
|
 |
111 |
BD004H00000 |
Кольцо уплотнительное
Используется в агрегатах
|
|
|
Недоступен к заказу |
|
 |
112 |
B1016W10012 |
Пробка слива масла М10х1,25х12
Используется в агрегатах
|
|
|
Недоступен к заказу |
|
 |
113 |
GFB02000 |
Прокладка 10х16 сливного болта
Используется в агрегатах
|
|
|
40 i |
|
 |
114 |
Y3C10000000 |
Удлинитель для слива масла
Используется в агрегатах
|
|
|
330 i |
|
 |
115 |
Y3310000000 |
Крышка картера
Используется в агрегатах
|
|
|
4321 i |
|
 |
116 |
C5Y402507 |
Сальник 25х40х7
Используется в агрегатах
|
|
|
193 i |
|
 |
117 |
DAF010 |
Тарелка толкателя
Используется в агрегатах
|
|
|
133 i |
|
 |
118 |
140020048-0001 |
Распредвал
Используется в агрегатах
|
|
|
724 i |
|
 |
119 |
Y2650000000 |
Фиксатор
Используется в агрегатах
|
|
|
Недоступен к заказу |
|
 |
120 |
Y2640000000 |
Толкатель
Используется в агрегатах
|
|
|
Недоступен к заказу |
|
 |
121 |
Y2610000000 |
Шестерня центробежного регулятора
Используется в агрегатах
|
|
|
Недоступен к заказу |
|
 |
121-1 |
DPK000 |
Регулятор оборотов центробежный
Используется в агрегатах
|
|
|
202 i |
|
 |
122 |
Y3620000000 |
Вал шестерни регулятора
Используется в агрегатах
|
|
|
Недоступен к заказу |
|