 |
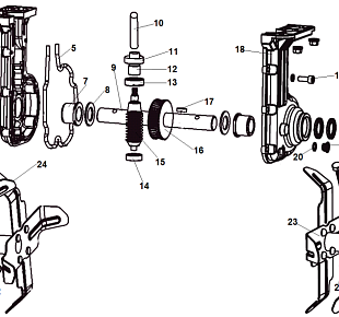
1 |
WR8001-1400-022 |
Корпус редуктора правая половина
Используется в агрегатах
|
|
|
1400 i |
|
 |
2 |
WR8001-1400-025 |
Гайка М6
Используется в агрегатах
|
|
|
Недоступен к заказу |
|
 |
3 |
WR8001-1400-016 |
Кольцо защитное сальника
Используется в агрегатах
|
|
|
118 i |
|
 |
4 |
WR8001-1400-021 |
Сальник
Используется в агрегатах
|
|
|
294 i |
|
 |
5 |
WR8001-1400-006 |
Прокладка редуктора
Используется в агрегатах
|
|
|
173 i |
|
 |
6 |
WR8001-1400-024 |
Болт М8х40
Используется в агрегатах
|
|
|
Недоступен к заказу |
|
 |
7 |
WR8001-1400-020 |
Втулка вала
Используется в агрегатах
|
|
|
180 i |
|
 |
8 |
WR8001-1400-018 |
Шайба вала
Используется в агрегатах
|
|
|
73 i |
|
 |
9 |
WR8001-1400-019 |
Вал привода фрез
Используется в агрегатах
|
|
|
1126 i |
|
 |
10 |
WR8001-1400-069 |
Вал переходной
Используется в агрегатах
|
|
|
343 i |
|
 |
11 |
WR8001-1400-014 |
Сальник
Используется в агрегатах
|
|
|
213 i |
|
 |
12 |
WR8001-1400-013 |
Шпиндель
Используется в агрегатах
|
|
|
299 i |
|
 |
13 |
WR8001-1400-066 |
Подшипник 6001
Используется в агрегатах
|
|
|
Недоступен к заказу |
|
 |
14 |
WR8005-750-009 |
Подшипник 608
Используется в агрегатах
|
|
|
Недоступен к заказу |
|
 |
15 |
WR8005-750-020 |
Червячный вал
Используется в агрегатах
|
|
|
1118 i |
|
 |
16 |
WR8005-750-019 |
Ведомая шестерня
Используется в агрегатах
|
|
|
2296 i |
|
 |
17 |
WR8001-1400-017 |
Шпонка 4х4х16
Используется в агрегатах
|
|
|
382 i |
|
 |
18 |
WR8001-1400-005 |
Корпус редуктора левая половина
Используется в агрегатах
|
|
|
1409 i |
|
 |
19 |
WR8001-1400-001 |
Болт М6х18
Используется в агрегатах
|
|
|
Недоступен к заказу |
|
 |
20 |
WR8001-1400-004 |
Кольцо уплотнительное
Используется в агрегатах
|
|
|
Недоступен к заказу |
|
 |
21 |
WR8001-1400-003 |
Болт М10х10
Используется в агрегатах
|
|
|
Недоступен к заказу |
|
 |
22 |
WR8001-1400-023 |
Гайка М8
Используется в агрегатах
|
|
|
Недоступен к заказу |
|
 |
23 |
WR8005-750-023 |
Фреза левая
Используется в агрегатах
|
|
|
2594 i |
|
 |
24 |
WR8005-750-001 |
Фреза правая
Используется в агрегатах
|
|
|
2594 i |
|