1 ЭЛЕКТРОДВИГАТЕЛЬ | Запчасти для культиватора, мотоблока чемпион EC750 | Поставка по России | Магазин-Сервис в СПБ |
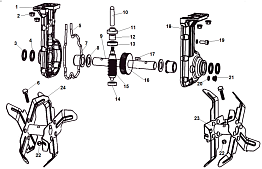
2 РЕДУКТОР - ФРЕЗЫ | Запчасти для культиватора, мотоблока чемпион EC750 | Поставка по России | Магазин-Сервис в СПБ |
3 ВЫКЛЮЧАТЕЛЬ - РУЧКА | Запчасти для культиватора, мотоблока чемпион EC750 | Поставка по России | Магазин-Сервис в СПБ |
Расходник, смазка для культиватора | Чемпион EC750 | Магазин Service - Champion
Ремонт культиватора Чемпион EC750 | в СПБ и ЛенОбласти Гарантия качества !!!