Назад

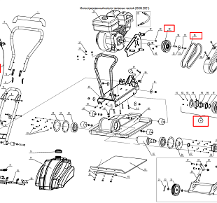
5 | ПОРШЕНЬ - КОЛЕНВАЛ- КОЛЬЦА | Запчасти для виброплиты чемпион | PC1151FT | Поставка по России | Магазин-Сервис в СПБ |

Ссылка Артикул Наименование детали Используется штук Количество Цена
1 DAF001

Кольцо поршневое 68, комплект 5 шт.
Используется в агрегатах

376 i
2 DAM003

Кольцо стопорное
Используется в агрегатах

40 i
3 1500005

Поршень 68, комплект
Используется в агрегатах

831 i
4 DAF013

Палец поршня 18х54
Используется в агрегатах

181 i
5 130180001-0001

Болт шатуна
Используется в агрегатах

Недоступен к заказу

6 DCK002

Шатун
Используется в агрегатах

662 i
7 GFB08011

Шпонка 12.5х4х5.5
Используется в агрегатах

80 i
8 130290041-0001

Коленвал
Используется в агрегатах

3692 i
9 380620032-0001

Шпонка 33х5х5
Используется в агрегатах

88 i