Назад

Ремонт снегоуборщика Чемпион ST855BS | в СПБ Гарантия качества !!!

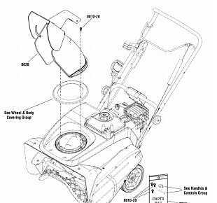
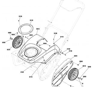
Ссылка Артикул Наименование детали Используется штук Количество Цена
Тел: +7 (911) 926-76-78 Ремонт снегоуборщика Чемпион ST855BS

Диагностика
Используется в агрегатах

Недоступен к заказу

Тел: +7 (911) 926-76-78 Ремонт снегоуборщика Чемпион ST855BS

Замена дефлектора и направляющей выброса
Используется в агрегатах

Недоступен к заказу

Тел: +7 (911) 926-76-78 Ремонт снегоуборщика Чемпион ST855BS

Замена диска сцепления
Используется в агрегатах

Недоступен к заказу

Тел: +7 (911) 926-76-78 Ремонт снегоуборщика Чемпион ST855BS

Замена одной лыжи
Используется в агрегатах

Недоступен к заказу

Тел: +7 (911) 926-76-78 Ремонт снегоуборщика Чемпион ST855BS

Замена натяжного ролика
Используется в агрегатах

Недоступен к заказу

Тел: +7 (911) 926-76-78 Ремонт снегоуборщика Чемпион ST855BS

Замена нижней крышки
Используется в агрегатах

Недоступен к заказу

Тел: +7 (911) 926-76-78 Ремонт снегоуборщика Чемпион ST855BS

Замена подшипника колеса
Используется в агрегатах

Недоступен к заказу

Тел: +7 (911) 926-76-78 Ремонт снегоуборщика Чемпион ST855BS

Замена пружины натяжного ролика
Используется в агрегатах

Недоступен к заказу

Тел: +7 (911) 926-76-78 Ремонт снегоуборщика Чемпион ST855BS

Замена редуктора
Используется в агрегатах

Недоступен к заказу

Тел: +7 (911) 926-76-78 Ремонт снегоуборщика Чемпион ST855BS

Замена ремня привода шнека
Используется в агрегатах

Недоступен к заказу

Тел: +7 (911) 926-76-78 Ремонт снегоуборщика Чемпион ST855BS

Замена ремня самохода
Используется в агрегатах

Недоступен к заказу

Тел: +7 (911) 926-76-78 Ремонт снегоуборщика Чемпион ST855BS

Замена рукоятки привода направления выброса
Используется в агрегатах

Недоступен к заказу

Тел: +7 (911) 926-76-78 Ремонт снегоуборщика Чемпион ST855BS

Замена рукоятки сцепления
Используется в агрегатах

Недоступен к заказу

Тел: +7 (911) 926-76-78 Ремонт снегоуборщика Чемпион ST855BS

Замена ступицы фрикционного диска
Используется в агрегатах

Недоступен к заказу

Тел: +7 (911) 926-76-78 Ремонт снегоуборщика Чемпион ST855BS

Замена втулки
Используется в агрегатах

Недоступен к заказу

Тел: +7 (911) 926-76-78 Ремонт снегоуборщика Чемпион ST855BS

Замена фрикционного диска
Используется в агрегатах

Недоступен к заказу

Тел: +7 (911) 926-76-78 Ремонт снегоуборщика Чемпион ST855BS

Замена шестерни привода самохода
Используется в агрегатах

Недоступен к заказу

Тел: +7 (911) 926-76-78 Ремонт снегоуборщика Чемпион ST855BS

Замена шнеков
Используется в агрегатах

Недоступен к заказу

Тел: +7 (911) 926-76-78 Ремонт снегоуборщика Чемпион ST855BS

Замена двигателя
Используется в агрегатах

Недоступен к заказу