Назад

3 | Корпус мойки | HP3250 мойка Чемпион | Запчасти, сервис, ремонт

Ссылка Артикул Наименование детали Используется штук Количество Цена
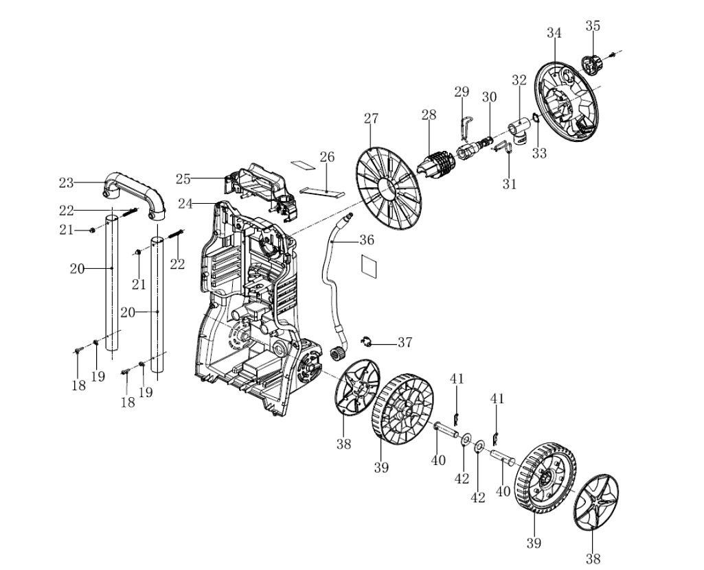
18 130000081000

Болт
Используется в агрегатах

Недоступен к заказу

19 120000530500

Ограничитель выдвижения рукоятки
Используется в агрегатах

64 i
20 130003097900

Трубка рукоятки
Используется в агрегатах

533 i
21 130000083100

Гайка
Используется в агрегатах

Недоступен к заказу

22 130000083600

Болт
Используется в агрегатах

Недоступен к заказу

23 120002540400

Рукоятка выдвижная часть
Используется в агрегатах

174 i
24 120002540000

Корпус мойки задняя часть
Используется в агрегатах

845 i
25 120002539700

Рукоятка неподвижная часть
Используется в агрегатах

206 i
26 120002171500

Перегородка неподвижной части рукояти
Используется в агрегатах

64 i
27 120002540500

Барабан шланга задняя часть
Используется в агрегатах

199 i
28 120002455800

Ось барабана
Используется в агрегатах

231 i
29 130003073900

Фиксатор фитинга поворотного
Используется в агрегатах

64 i
30 130003074000

Фитинг поворотный барабана
Используется в агрегатах

570 i
31 130000073700

Фиксатор фитинга поворотного
Используется в агрегатах

64 i
32 130003086600

Штуцер барабана угловой
Используется в агрегатах

632 i
33 160000064000

Кольцо стопорное фитинга поворотного
Используется в агрегатах

64 i
34 120002452300

Барабан шланга передняя часть
Используется в агрегатах

169 i
35 120002451900

Рукоятка барабана
Используется в агрегатах

64 i
36 190000295900

Трубка высокого давления к барабану
Используется в агрегатах

1537 i
37 120000150200

Крышка дренажного отверстия
Используется в агрегатах

64 i
38 120000240900

Колпак колеса
Используется в агрегатах

113 i
39 120000241600

Колесо
Используется в агрегатах

199 i
40 120002226700

Ось колеса
Используется в агрегатах

169 i
41 130000283100

Фиксатор колеса
Используется в агрегатах

64 i
42 130003039800

Прокладка
Используется в агрегатах

Недоступен к заказу