Назад

7 | Картер | Запчасти для генератора чемпион | GG3301C | после 2019 года | после s/n 30051900319 | Поставка по России | Магазин-Сервис в СПБ |

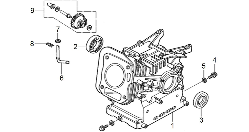
Ссылка Артикул Наименование детали Используется штук Количество Цена
1 G1131E0302000

Картер 70мм
Используется в агрегатах

6479 i
1 G1131E0314000

Картер 70мм после s/n 30052100001
Используется в агрегатах

7517 i
2 27606205

Подшипник 6205
Используется в агрегатах

343 i
3 380650347-0001

Сальник 25х41,25х6
Используется в агрегатах

203 i
4 578910015BX

Болт сливной М10
Используется в агрегатах

Недоступен к заказу

5 GFB02000

Шайба уплотнительная 10х16
Используется в агрегатах

40 i
6 DAL001

Вал рычага регулятора оборотов
Используется в агрегатах

127 i
7 G9041E0102000

Шайба
Используется в агрегатах

Недоступен к заказу

8 G9052E0101000

Шплинт
Используется в агрегатах

Недоступен к заказу

9 FAK000

Регулятор оборотов
Используется в агрегатах

214 i