Назад

7 | ГЕНЕРАТОРНАЯ ЧАСТЬ | Запчасти для генератора чемпион DG6000E | Поставка по России | Магазин-Сервис в СПБ |

Ссылка Артикул Наименование детали Используется штук Количество Цена
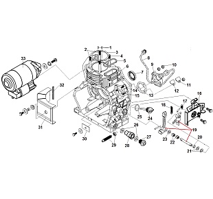
1 029030300314

Крышка альтернатора защитная
Используется в агрегатах

323 i
2 029030700200

Щетки коллекторные
Используется в агрегатах

244 i
3 3060003002001

Блок AVR
Используется в агрегатах

2794 i
4 029030500101

Клемная колодка
Используется в агрегатах

Недоступен к заказу

5 511050618001

Болт М6х180
Используется в агрегатах

Недоступен к заказу

6 029030430700

Крышка генератора сторона AVR
Используется в агрегатах

2570 i
7 062026530010

Статор
Используется в агрегатах

18599 i
8 029030102000

Защита статора
Используется в агрегатах

Недоступен к заказу

9 511011026501

Болт крепления ротора М10х265
Используется в агрегатах

260 i
10 062026520009

Снято с производства
Используется в агрегатах

13650 i
11 3060001002001

Крышка генератора сторона двигателя
Используется в агрегатах

1896 i
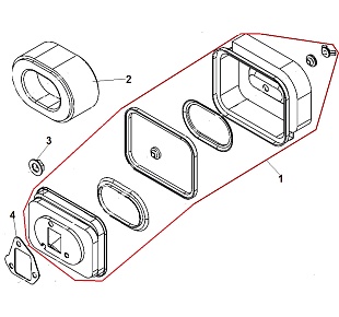
12 029049910400

Прокладка глушителя
Используется в агрегатах

80 i
13 011040900000

Глушитель
Используется в агрегатах

Недоступен к заказу

14 019990000103

Регулятор зарядки AКБ
Используется в агрегатах

2474 i