Назад

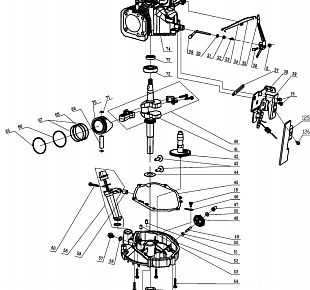
7 КАРБЮРАТОР - ВОЗДУШНЫЙ ФИЛЬТР | Запчасти для газонокосилки чемпион | до 02.07.2019 года LM5346E | Поставка по России | Магазин-Сервис в СПБ |

Ссылка Артикул Наименование детали Используется штук Количество Цена
5 60140020000

Гайка фланцевая М6
Используется в агрегатах

Недоступен к заказу

23 60060530000

Болт М6х14
Используется в агрегатах

Недоступен к заказу

54 60050050000

Болт M8x50
Используется в агрегатах

Недоступен к заказу

61 25120050000

Крышка воздушного фильтра
Используется в агрегатах

327 i
62 25300020000

Фильтр воздушный
Используется в агрегатах

497 i
63 25020010000

Накладка корпуса
Используется в агрегатах

Недоступен к заказу

64 25120090000

Основание корпуса воздушного фильтра
Используется в агрегатах

1283 i
75 75730100000

Прокладка основания воздушного фильтра
Используется в агрегатах

80 i
76 75760130000

Тяга дроссельной заслонки
Используется в агрегатах

99 i
77 75410640000

Карбюратор (до с/н 32092000850), (до с/н 32112000140) T680 TX
Используется в агрегатах

4287 i
78 75560050000

Кронштейн рычага заслонки
Используется в агрегатах

102 i
79 75730060000

Прокладка впуска
Используется в агрегатах

91 i
80 75730030000

Прокладка под карбюратор
Используется в агрегатах

59 i
81 25090020000

Теплоизолятор карбюратора
Используется в агрегатах

181 i
82 75730050000

Прокладка под теплоизолятор
Используется в агрегатах

59 i
83 60080030000

Шпилька резьбовая М6х94
Используется в агрегатах

Недоступен к заказу

84 75350020000

Толкатель клапана
Используется в агрегатах

231 i
85 75260020000

Направляющая толкателей клапана
Используется в агрегатах

91 i
86 60060760000

Шпилька опорная коромысла
Используется в агрегатах

Недоступен к заказу

87 DAF004

Коромысло клапана
Используется в агрегатах

238 i
88 60160050000

Опора коромысла
Используется в агрегатах

Недоступен к заказу

89 60160030000

Гайка контрящая
Используется в агрегатах

Недоступен к заказу

90 75080030000

Крышка клапанная
Используется в агрегатах

Недоступен к заказу

91 DNB000

Прокладка клапанной крышки
Используется в агрегатах

91 i
92 75080020000

Крышка клапанная внутренняя
Используется в агрегатах

Недоступен к заказу

93 DAF009

Колпачок клапана под коромысло
Используется в агрегатах

80 i
94 75180020000

Сухарь клапана
Используется в агрегатах

187 i
95 60380090000

Пружина клапана 2х20.5х33.5
Используется в агрегатах

118 i
96 60360140000

Колпачок маслосъемный
Используется в агрегатах

164 i
97 60080250000

Шпилька резьбовая М6х98
Используется в агрегатах

Недоступен к заказу

98 75140010000

Свеча зажигания TORCH F7RTC
Используется в агрегатах

Недоступен к заказу

99 75490040000

Головка цилиндра
Используется в агрегатах

5827 i
100 75190020000

Клапан выпускной
Используется в агрегатах

244 i
101 DCF007

Клапан впускной
Используется в агрегатах

252 i
102 60280020000

Штифт 10х16
Используется в агрегатах

Недоступен к заказу

103 DQB002

Прокладка головки блока
Используется в агрегатах

231 i
104 75760140000

Тяга термостата
Используется в агрегатах

71 i
105 75740080000

Прокладка под глушитель
Используется в агрегатах

359 i
106 60060040000

Болт М5х10
Используется в агрегатах

Недоступен к заказу

107 30070420000

Термостат глушителя
Используется в агрегатах

2189 i
108 75540120000

Глушитель
Используется в агрегатах

1478 i
109 75530090000

Накладка глушителя
Используется в агрегатах

1036 i
110 60150100000

Гайка самоконтрящаяся М6
Используется в агрегатах

Недоступен к заказу