 |
14 |
8SJGB40-16D |
Винт самонарезающий
Используется в агрегатах
|
|
|
Недоступен к заказу |
|
 |
46 |
8SJGB40-25D |
Винт самонарезающий
Используется в агрегатах
|
|
|
Недоступен к заказу |
|
 |
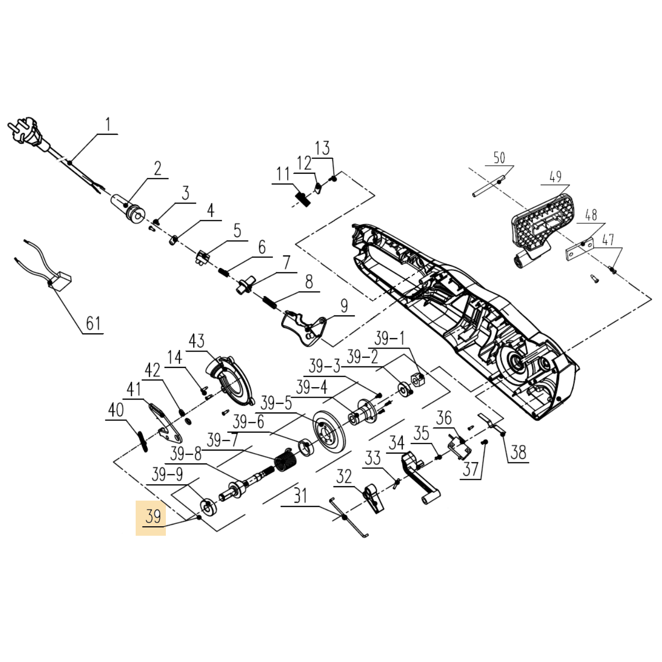
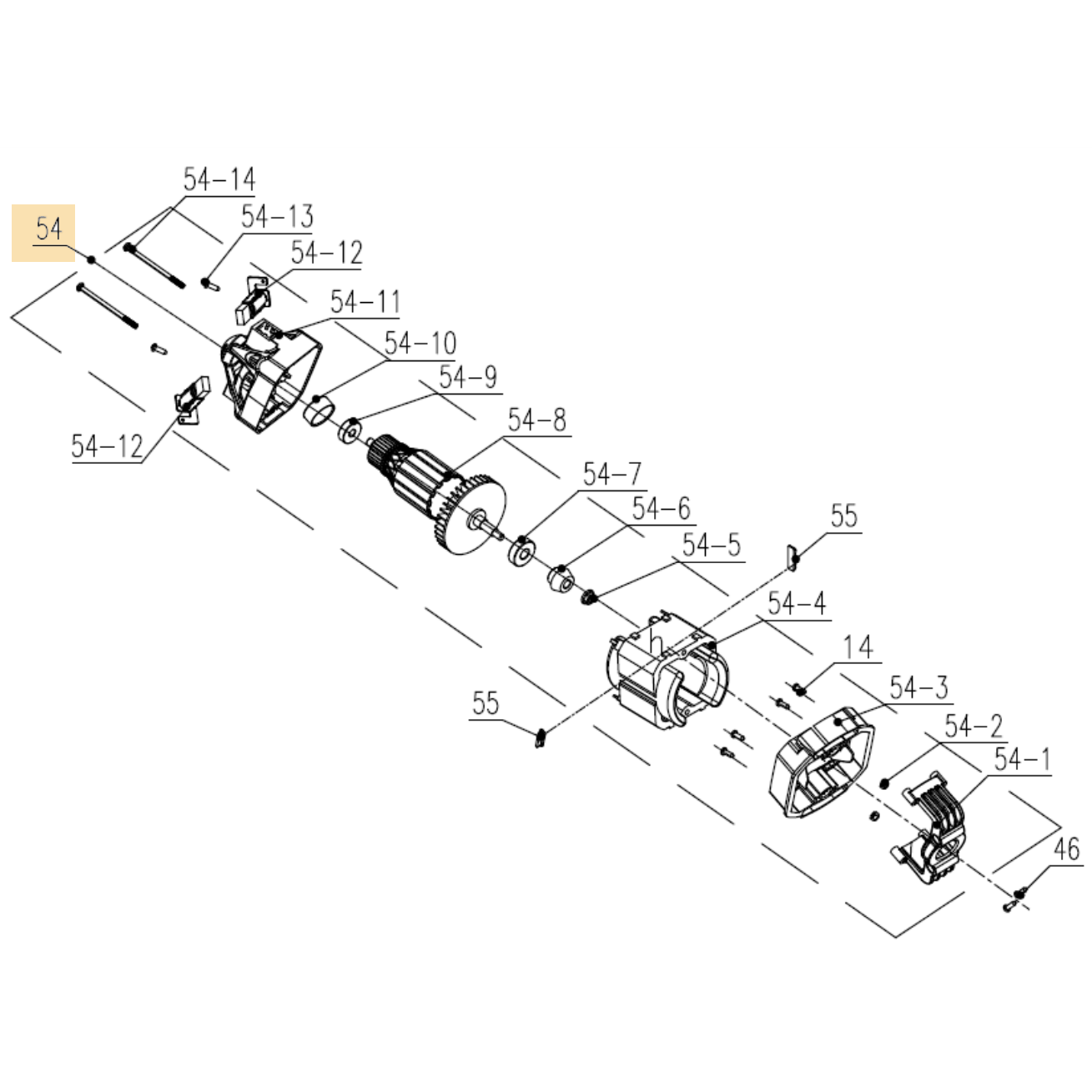
54 |
101001000640 |
Электромотор
Используется в агрегатах
|
|
|
Недоступен к заказу |
|
 |
54-1 |
202031000470 |
Кронштейн передний
Используется в агрегатах
|
|
|
335 i |
|
 |
54-2 |
8NH-04D |
Гайка
Используется в агрегатах
|
|
|
Недоступен к заказу |
|
 |
54-3 |
202999001597 |
Дефлектор электродвигателя
Используется в агрегатах
|
|
|
464 i |
|
 |
54-4 |
8405-481080-0000010 |
Статор
Используется в агрегатах
|
|
|
1999 i |
|
 |
54-5 |
8207-210701-0000000 |
Гайка
Используется в агрегатах
|
|
|
Недоступен к заказу |
|
 |
54-6 |
201004000351 |
Шестерня ротора конусная
Используется в агрегатах
|
|
|
603 i |
|
 |
54-7 |
8BC-301009-ST |
Подшипник 6200Z
Используется в агрегатах
|
|
|
252 i |
|
 |
54-8 |
106001000331 |
Ротор
Используется в агрегатах
|
|
|
3758 i |
|
 |
54-9 |
8BC-220807-ST03 |
Подшипник 608Z
Используется в агрегатах
|
|
|
223 i |
|
 |
54-10 |
8333-211001-0000120 |
Втулка подшипника ротора
Используется в агрегатах
|
|
|
101 i |
|
 |
54-11 |
8291-438402-0001710 |
Кронштейн задний
Используется в агрегатах
|
|
|
414 i |
|
 |
54-12 |
199102000007 |
Щетки коллекторные
Используется в агрегатах
|
|
|
356 i |
|
 |
54-13 |
8SJGB30-08D |
Винт
Используется в агрегатах
|
|
|
Недоступен к заказу |
|
 |
54-14 |
8206-481003-0000000 |
Болт
Используется в агрегатах
|
|
|
Недоступен к заказу |
|
 |
55 |
8341-691101-0000110 |
Вставка вибродемпфирующая
Используется в агрегатах
|
|
|
Недоступен к заказу |
|