Назад

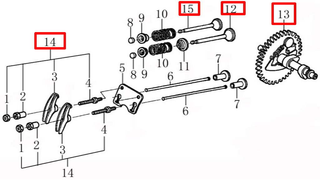
8 | Распредвал | SC350 Резчик швов Чемпион | Запчасти, сервис, ремонт

Ссылка Артикул Наименование детали Используется штук Количество Цена
1 140470001-0001

Гайка контрящая
Используется в агрегатах

Недоступен к заказу

2 GFB05003

Гайка коромысла
Используется в агрегатах

40 i
3 140460030-0001

Коромысло
Используется в агрегатах

Недоступен к заказу

4 GFB03101

Шпилька коромысла
Используется в агрегатах

174 i
5 DAF003

Направляющая толк. клапана
Используется в агрегатах

73 i
6 DAF015

Толкатель (штанга)
Используется в агрегатах

193 i
7 DBF010

Тарелка толкателя клапана
Используется в агрегатах

153 i
8 DAF009

Колпачок клапана
Используется в агрегатах

80 i
9 140380068-0001

Сухарь клапана
Используется в агрегатах

103 i
10 140340022-0001

Пружина клапана
Используется в агрегатах

56 i
11 DAA004

Колпачок маслосъемный
Используется в агрегатах

133 i
12 DC00F006

Клапан впускной
Используется в агрегатах

356 i
13 DBF005

Распредвал
Используется в агрегатах

1274 i
14 DAF004

Коромысло клапана, комплект
Используется в агрегатах

238 i
15 DAF006

Клапан выпускной
Используется в агрегатах

246 i