Назад

8 БАК - АМОРТИЗАТОР - ПРОБКА | Запчасти для бензопилы чемпион 55 | Поставка по России | Магазин-Сервис в СПБ |

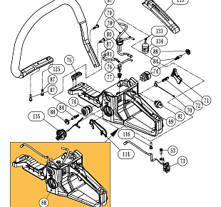
Ссылка Артикул Наименование детали Используется штук Количество Цена
53 YD3800-90021

Винт
Используется в агрегатах

Недоступен к заказу

68 YD5200-18299

Бак топливный, комплект
Используется в агрегатах

1987 i
69 YD4600-18300

Бак топливный
Используется в агрегатах

Недоступен к заказу

70 YD3800-24212

Пружина курка газа
Используется в агрегатах

78 i
71 080206190204

Курок газа
Используется в агрегатах

113 i
72 YD4500-94104A

Ось курка газа
Используется в агрегатах

Недоступен к заказу

73 040504012

Выключательзажигания
Используется в агрегатах

73 i
73 YD4500-26210B

Выключатель зажигания с проводами
Используется в агрегатах

118 i
74 YD3800-27211

Амортизаторверхний
Используется в агрегатах

122 i
75 YD4500-18301A

Буфер упорный
Используется в агрегатах

96 i
76 YD3800-18010

Сапун топливного бака
Используется в агрегатах

113 i
77 YD3800-18001

Прокладкасапуна
Используется в агрегатах

Недоступен к заказу

78 YD38008-18101

Шланг топливный
Используется в агрегатах

245 i
79 YD3800-18432A

Шланг из праймера в бак
Используется в агрегатах

82 i
80 YD3800-18104

Уплотнение топливных шлангов
Используется в агрегатах

96 i
81 043154240

Шланг из карб. в праймер (укоротить)
Используется в агрегатах

148 i
82 027351600

Праймер см. 1800023
Используется в агрегатах

169 i
84 YD4500-27212

Винт крепления амортизатора
Используется в агрегатах

164 i
87 YD2500-91333

Винтсамонарезающий
Используется в агрегатах

Недоступен к заказу

88 YD3800-27112

Заглушкаамортизатора
Используется в агрегатах

Недоступен к заказу

114 080206190202

Предохранитель курка газа
Используется в агрегатах

140 i
115 YD5200-24411

Накладкарукоятки
Используется в агрегатах

170 i
116 YD4500-91334

Винтсамонарезающий
Используется в агрегатах

Недоступен к заказу

125 YD520016-24510

Рукоятка трубчатая
Используется в агрегатах

1226 i
133 YD4500-18102

Хомут
Используется в агрегатах

Недоступен к заказу

134 YD4500-18103

Фильтр топливный
Используется в агрегатах

218 i
135 YD3800-18030

Пробка резьбовая топливного бака
Используется в агрегатах

244 i