Назад

4 | Запчасти для бензопилы чемпион 256 | обновлённая деталировка после 15.01.2023 года | КАРБЮРАТОР - ФИЛЬТР | Поставка по России | Магазин-Сервис в СПБ |

Ссылка Артикул Наименование детали Используется штук Количество Цена
25 YD4500-18021

Соединитель угл. импульс. шланга
Используется в агрегатах

78 i
26 YD4500-18022

Шланг импульсный
Используется в агрегатах

78 i
27 YD4500-18023

Хомут
Используется в агрегатах

Недоступен к заказу

56 04060303001

Прокладка впускного колена
Используется в агрегатах

40 i
57 040202003

Коленокарбюратора
Используется в агрегатах

76 i
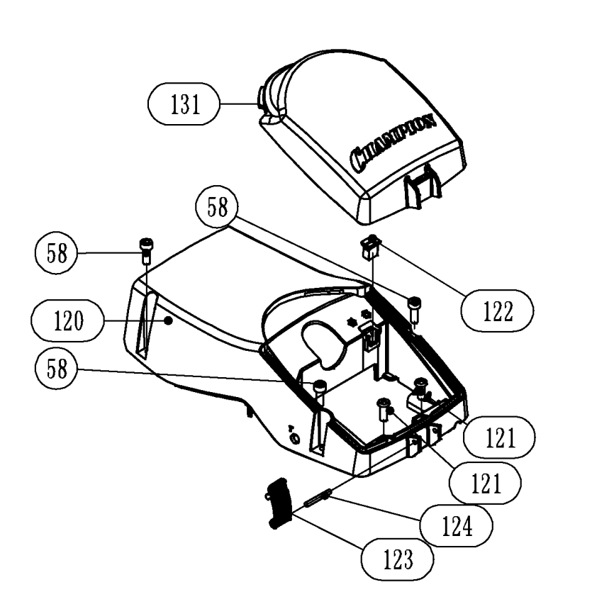
58 YD4500-90023

Винт
Используется в агрегатах

Недоступен к заказу

65 YD4500-16121

Теплоизолятор
Используется в агрегатах

287 i
66 04060302001

Прокладка под карбюратор
Используется в агрегатах

80 i
67 YD4500-16131

Фланецкарбюратора
Используется в агрегатах

56 i
89 YD4600-16141

Опора воздушного фильтра
Используется в агрегатах

170 i
90 YD4500-161412

Шпилька
Используется в агрегатах

Недоступен к заказу

91 YD4500-16142

Проставка опоры фильтра
Используется в агрегатах

Недоступен к заказу

92 4005004101

Гильза колена карбюратора
Используется в агрегатах

66 i
93 YD6150-18200

Карбюратор
Используется в агрегатах

2625 i
* 1800008

Ремкомплекткарбюратора
Используется в агрегатах

258 i
94 YD4500-90029

Винт
Используется в агрегатах

Недоступен к заказу

95 YD46008-24001

Тяга газа
Используется в агрегатах

82 i
118 YD4500-24112

Кольцо рычага заслонки
Используется в агрегатах

40 i
119 YD46008-24111

Рычаг воздушной заслонки
Используется в агрегатах

232 i
128 YD4500-16211

Фильтрвоздушный
Используется в агрегатах

203 i
129 YD460011-16302

Гайка воздушного фильтра
Используется в агрегатах

78 i
130 YD46008-162114

Уплотнение воздушного фильтра
Используется в агрегатах

78 i