Назад

3 | Запчасти для бензопилы чемпион 125-Т | | обновлённая деталировка после 15.01.2023 года | КАРБЮРАТОР - ФИЛЬТР | Поставка по России | Магазин-Сервис в СПБ |

Ссылка Артикул Наименование детали Используется штук Количество Цена
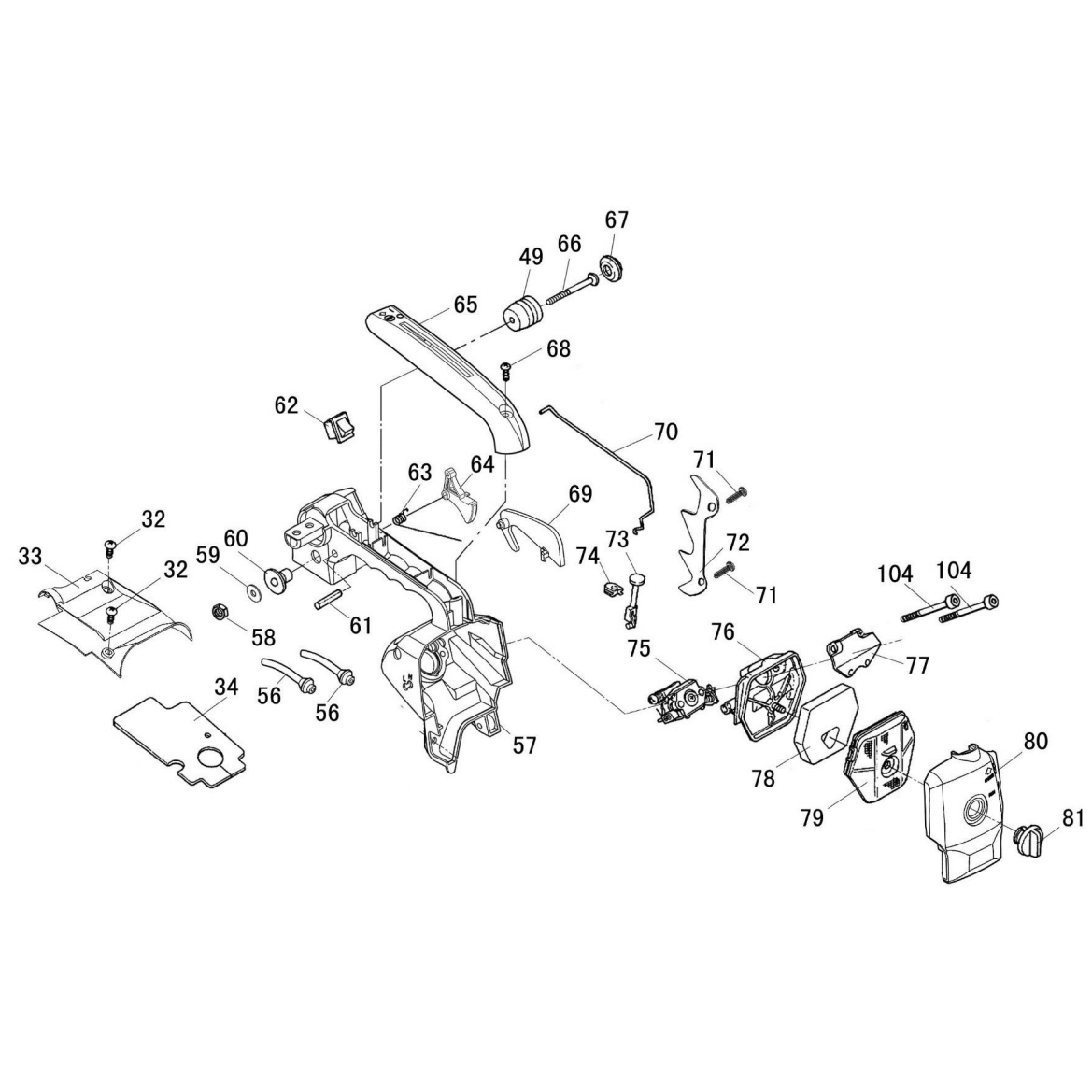
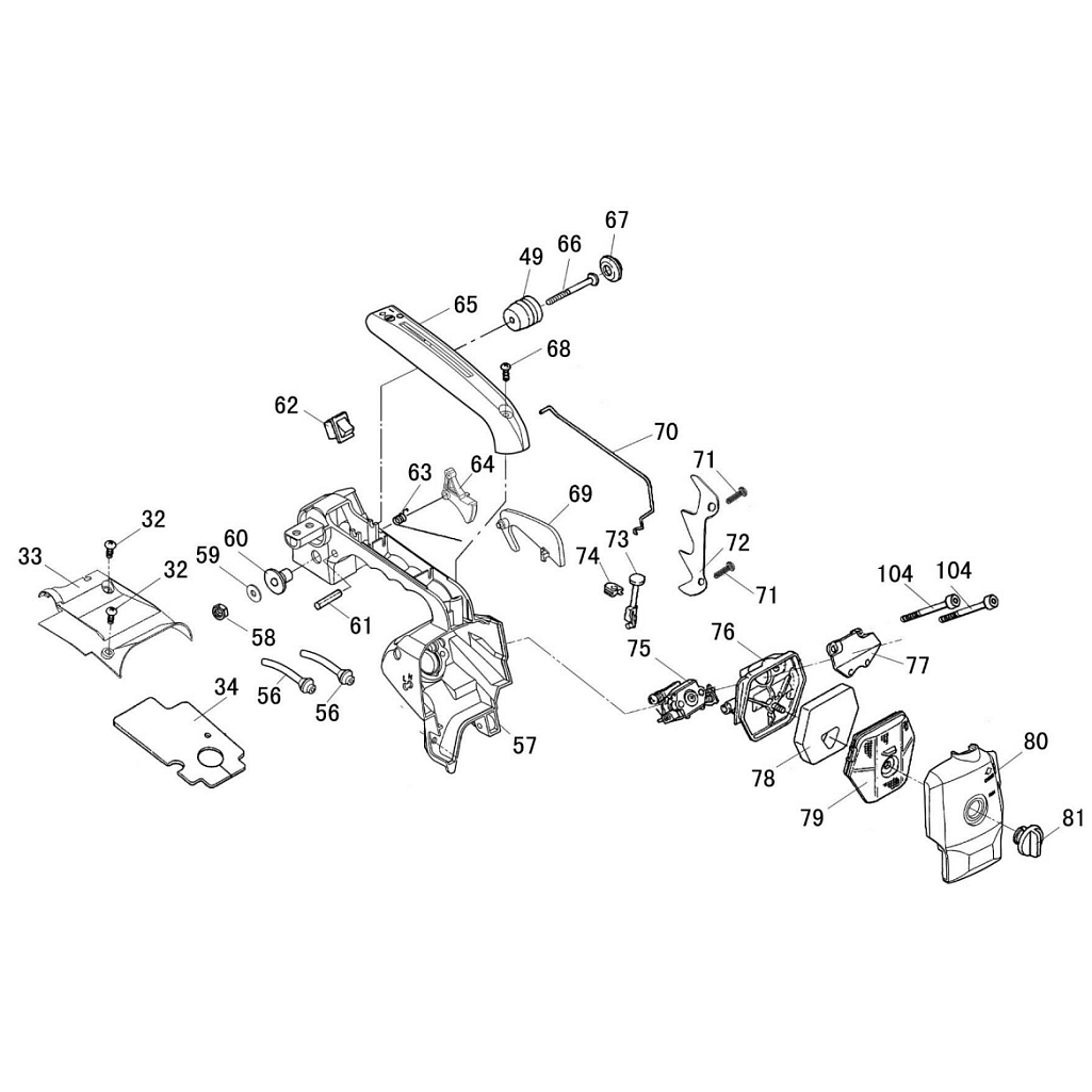
32 YD2500-91324

Винт самонарезающий ST4.2х13
Используется в агрегатах

Недоступен к заказу

33 YD25002-27331

Крышка корпуса верхняя
Используется в агрегатах

268 i
34 YD2500-27401

Прокладка крышки картера
Используется в агрегатах

183 i
49 YD2500-27111

Амортизатор
Используется в агрегатах

88 i
56 YD2500-18236

Шланг-адаптеркарбюратора
Используется в агрегатах

78 i
57 YD25002-24401

Рукоятка верхняя
Используется в агрегатах

287 i
58 YD2500-92201

Гайка М5
Используется в агрегатах

Недоступен к заказу

59 YD6200-93013

Шайба 5х15х1,5
Используется в агрегатах

Недоступен к заказу

60 YD2500-24406

Заглушкарезиновая
Используется в агрегатах

Недоступен к заказу

61 YD2500-24213

Ось курка газа
Используется в агрегатах

Недоступен к заказу

62 040504012

Выключательзажигания
Используется в агрегатах

73 i
63 YD3800-24212

Пружина курка газа
Используется в агрегатах

78 i
64 YD25002-24211

Курок газа
Используется в агрегатах

78 i
65 YD25002-24441

Накладка верхней рукоятки
Используется в агрегатах

234 i
66 YD2500-90226

Винт М5х45
Используется в агрегатах

Недоступен к заказу

67 YD2500-27112

Заглушкаамортизатора
Используется в агрегатах

80 i
68 GC305-91328

Винт самонарезающий ST4.2х16
Используется в агрегатах

Недоступен к заказу

69 YD25002-24214

Предохранитель курка газа
Используется в агрегатах

82 i
70 YD25002-24001

Тяга газа
Используется в агрегатах

80 i
71 YD2500-91221

Винт самонарезающий ST4.8х14
Используется в агрегатах

Недоступен к заказу

72 YD25002-13002

Упор зубчатый
Используется в агрегатах

169 i
73 YD2500-24111

Рычаг воздушной заслонки
Используется в агрегатах

140 i
74 YD2500-24112

Уплотнитель рычага заслонки
Используется в агрегатах

Недоступен к заказу

75 YD2500-18200

Карбюратор
Используется в агрегатах

2128 i
76 YD2500-16201

Опора воздушного фильтра
Используется в агрегатах

166 i
77 YD2500-16204

Перегородка корпуса фильтра
Используется в агрегатах

Недоступен к заказу

78 YD2500-16307

Фильтр воздушный (поролон)
Используется в агрегатах

80 i
79 YD2500-16213

Фильтр воздушный (капрон)
Используется в агрегатах

234 i
80 YD25002-16204

Крышка воздушного фильтра
Используется в агрегатах

170 i
81 YD3800-16302A

Гайка воздушного фильтра
Используется в агрегатах

115 i
104 YD2500-90028

Винт М5х45
Используется в агрегатах

Недоступен к заказу