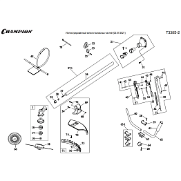
1 КАРБЮРАТОР - ПОРШЕНЬ - ЦИЛИНДР - СВЕЧА - СЦЕПЛЕНИЕ - МАХОВИК - МАГНЕТО | Запчасти для триммера чемпион T338S-2 | Поставка по России | Магазин-Сервис в СПБ |
2 ВАЛ - ШТАНГА -ТОРОС ГАЗА - РЕДУКТОР - КОЖУХ | Запчасти для триммера чемпион T338S-2 | Поставка по России | Магазин-Сервис в СПБ |
Диск, головка, масло для мотокосы, триммера | Чемпион Т338S-2 | Магазин Champion
Масло, свечи для триммера | Чемпион T338S-2 | Магазин Service - Champion