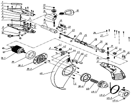
1 Электродвигатель - Щетки - Головка - Кожух - Якорь - Статор | Запчасти для триммера чемпион ЕТ450 | Поставка по России | Магазин-Сервис в СПБ |
Триммерная головка, для электрического триммера | Чемпион ET450 | Магазин Champion