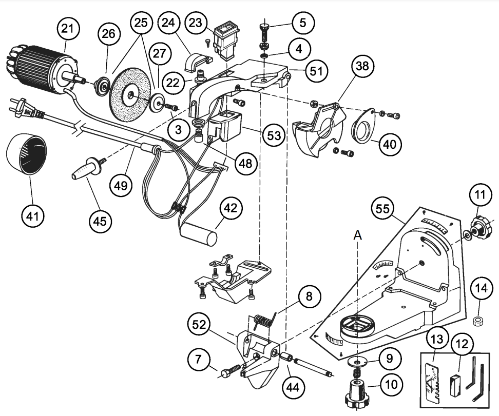
1 | Электродвигатель, Диск заточной | C2001 Станок заточной Чемпион с (11.03.2022) года | Запчасти, сервис, ремонт
2 | Суппорт поворотный | C2001 Станок заточной Чемпион с (11.03.2022) года | Запчасти, сервис, ремонт