1 | Трос выбора высоты, Трос выключения двигателя | GSC5140 скарификатор Чемпион| Запчасти, сервис, ремонт
2 | Рама | GSC5140 скарификатор Чемпион| Запчасти, сервис, ремонт
3 | Ремень приводной, Шкив ведомый | GSC5140 скарификатор Чемпион| Запчасти, сервис, ремонт
4 | Травосборник | GSC5140 скарификатор Чемпион| Запчасти, сервис, ремонт
5 | Ось задняя, Колесо | GSC5140 скарификатор Чемпион| Запчасти, сервис, ремонт
6 | Вал аэратора в сборе, Нож аэратора | GSC5140 скарификатор Чемпион| Запчасти, сервис, ремонт
7 | Вал скарификатора с сборе, Спица (пружина) | GSC5140 скарификатор Чемпион| Запчасти, сервис, ремонт
8 | Головка цилиндра | GSC5140 скарификатор Чемпион| Запчасти, сервис, ремонт
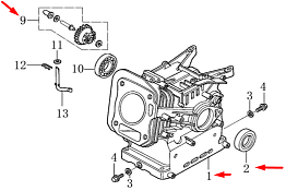
9 | Картер | GSC5140 скарификатор Чемпион| Запчасти, сервис, ремонт
10 | Крышка картера | GSC5140 скарификатор Чемпион| Запчасти, сервис, ремонт
11 | Поршень, Шатун, Коленвал | GSC5140 скарификатор Чемпион| Запчасти, сервис, ремонт
12 | Распредвал | GSC5140 скарификатор Чемпион| Запчасти, сервис, ремонт
13 | Стартер ручной в сборе | GSC5140 скарификатор Чемпион| Запчасти, сервис, ремонт
14 | Дефлектор | GSC5140 скарификатор Чемпион| Запчасти, сервис, ремонт
15 | Карбюратор | GSC5140 скарификатор Чемпион| Запчасти, сервис, ремонт
16 | Маховик, Магнето | GSC5140 скарификатор Чемпион| Запчасти, сервис, ремонт
17 | Рычаг регулировки оборотов | GSC5140 скарификатор Чемпион| Запчасти, сервис, ремонт
18 | Корпус фильтра в сборе | GSC5140 скарификатор Чемпион| Запчасти, сервис, ремонт
19 | Глушитель | GSC5140 скарификатор Чемпион| Запчасти, сервис, ремонт
20 | Бак топливный | GSC5140 скарификатор Чемпион| Запчасти, сервис, ремонт