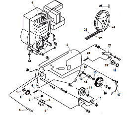
1 РЕМЕНЬ - ШКИВ - ДВИГАТЕЛЬ | Запчасти для культиватора, мотоблока чемпион BC6612H | Поставка по России | Магазин-Сервис в СПБ |
2 РУЧКА - ТРОС ГАЗА | Запчасти для культиватора, мотоблока чемпион BC6612H | Поставка по России | Магазин-Сервис в СПБ |
3 РАМА | Запчасти для культиватора, мотоблока чемпион BC6612H | Поставка по России | Магазин-Сервис в СПБ |
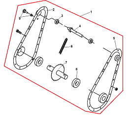
4 РЕДУКТОР - ШЕСТЕРНИ - ЦЕПЬ | Запчасти для культиватора, мотоблока чемпион BC6612H | Поставка по России | Магазин-Сервис в СПБ |
5 ФРЕЗЫ | Запчасти для культиватора, мотоблока чемпион BC6612H | Поставка по России | Магазин-Сервис в СПБ |
Масло, смазка для культиватора | Чемпион BC6612H | Магазин Service - Champion
Ремонт культиватора Чемпион BC6612H | в СПБ и ЛенОбласти Гарантия качества !!!