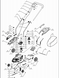
1 НОЖ - АДАПТЕР - КОЛЕСА - ТРАВОСБОРНИК - РУЧКА - ВЫКЛЮЧАТЕЛЬ - ЭЛЕКТРОДВИГАТЕЛЬ - РЕМЕНЬ | Запчасти для газонокосилки чемпион ЕМ3313 | Поставка по России | Магазин-Сервис в СПБ |
Средства защиты для газонокосилки | Чемпион EM3313 | Магазин Service - Champion